DEHNshield DSH ZP B2 LSG A TT 255
| Hersteller-Typ: | DSH ZP B2 LSG A TT 255 |
|---|---|
| Hersteller-Art. Nr.: | 909131 |
| Art. Nr.: | 13957 |
| Stück pro VPE: |
|
| Zubehör-Typ: | Überspannungsschutz |
| WEEE-Nummer: |
|
Preise sind nur für Geschäftskunden nach erfolgreicher Registrierung sichtbar.
- Neu
- Projektartikel
Auf Anfrage
Produktnummer:
13957
Beschreibung
DEHNshield DSH ZP B2 LSG A TT 255
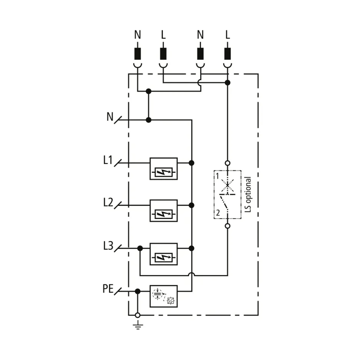
Mit dem DEHNshield ZP holst Du Dir einen leistungsstarken Kombi-Ableiter (Typ 1+2+3) für TT- und TN-S-Systeme in Deine Hauptverteilung. Die montagefreundliche Lösung auf 40-mm-Sammelschienenbasis schützt zuverlässig bei Freileitungseinspeisung und erfüllt die aktuellen Normen. Mit integriertem Leitungsschutzschalter, 230 V Spannungsversorgung für RfZ/APZ und intelligentem Anschlusszubehör bist Du bestens für moderne Energieinfrastrukturen gerüstet.
Produktvorteile
- Kombi-Ableiter mit Funkenstreckentechnologie für höchsten Blitz- und Überspannungsschutz
- Erfüllt DIN VDE 0100-534 – ideal bei Freileitungseinspeisung
- Werkzeuglose Montage auf 40-mm-Sammelschienensystem
- Spannungsversorgung für RfZ/APZ-Anwendungen inklusive
- Mit plombierbarer Schutzabdeckung und Stecksystem für schnelle Verdrahtung
- Leitungsschutzschalter (6 A, B-Charakteristik) integriert
Produkteigenschaften
- Kombi-Ableiter Typ 1 + Typ 2 + Typ 3
- Nennspannung: 230/400 V AC
- Max. Dauerspannung: 255 V
- Blitzstoßstrom (Iimp): 30 kA (N-PE), 7,5 kA (L-N)
- Schutzpegel: ≤ 1,5 kV (L-N/PE)
- Montage auf 40-mm-Sammelschiene
- IP 30 Schutzart (mit Abdeckung)
- Einsatztemperatur: -40 °C bis +80 °C
- Funktionsanzeige: grün/rot
Downloads








