DEHNcube 2 YPV 1100 2M 2S
| Hersteller-Typ: | DCU 2 YPV 1100 2M 2S |
|---|---|
| Hersteller-Art. Nr.: | 900923 |
| Art. Nr.: | 14024 |
| Stück pro VPE: |
|
| Zubehör-Typ: | Überspannungsschutz |
| WEEE-Nummer: |
|
Preise sind nur für Geschäftskunden nach erfolgreicher Registrierung sichtbar.
Ab Lager verfügbar
Produktnummer:
14024
Beschreibung
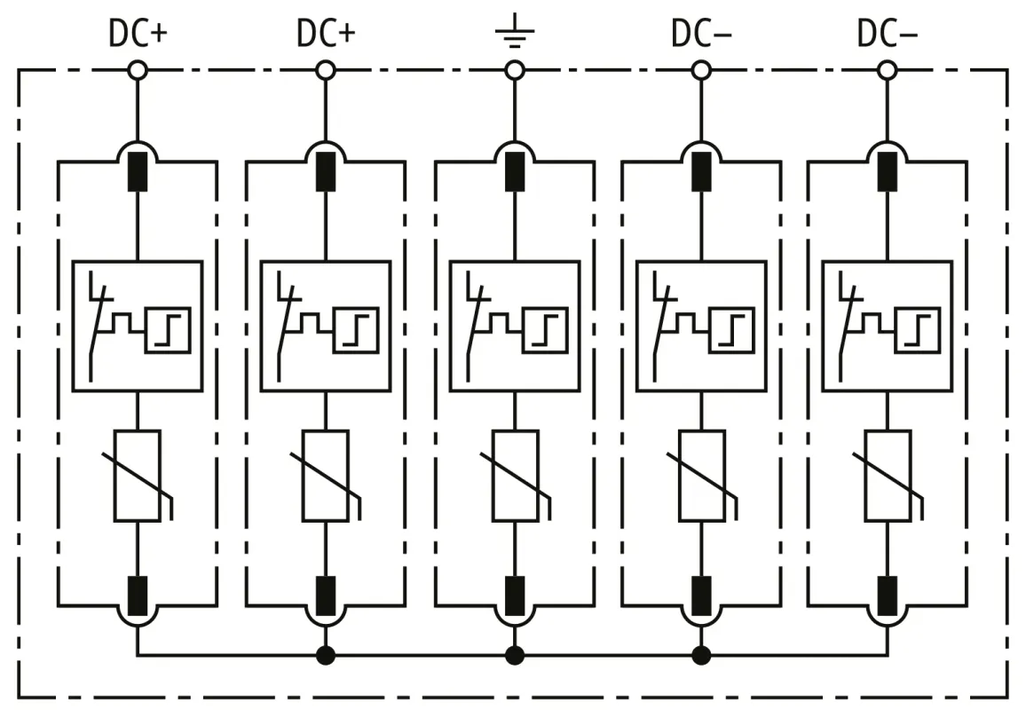
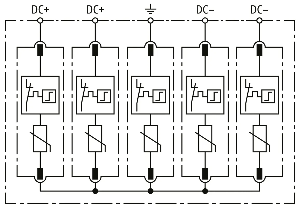
DEHNcube 2 YPV 1100 2M 2S, GAK Typ 2, IP65, 2MPPT und je 2 Strings bis 1100V DC
Mit dem DEHNcube PV DCU 2 YPV 1100 2M 2S schützt Du Deine Photovoltaikanlage zuverlässig vor Überspannungen. Der Generatoranschlusskasten eignet sich für zwei MPP-Eingänge mit jeweils zwei Strings bei einer maximalen PV-Spannung von bis zu 1100 V DC. Dank der integrierten Typ-2-Überspannungsschutzgeräte und Push-in-Klemmen kannst Du den Einbau effizient und sicher gestalten – ideal für den Außeneinsatz.
Produktvorteile
- Optimaler Überspannungsschutz für PV-Anlagen bis 1100 V DC
- Schutz für zwei MPP-Eingänge mit jeweils zwei Strings
- Einfache Montage durch Push-in-Klemmen
- Robustes Gehäuse mit IP65 – perfekt für den Außeneinsatz
- Klarsichtdeckel zur schnellen Funktionskontrolle
- Kompakte Bauweise für flexible Installationen
Produkteigenschaften
- Für zwei MPP-Eingänge und je zwei Strings
- Max. PV-Spannung: 1100 V DC
- Nennableitstoßstrom: 20 kA / Max. Ableitstoßstrom: 40 kA
- Schutzpegel ≤ 4 kV
- Kurzschlussfestigkeit: 10 kA
- Betriebstemperaturbereich: -35 °C bis +60 °C
- Schutzart: IP65
- Gehäuse mit Druckausgleichselement und Klarsichtdeckel
- Anschlussquerschnitte bis 25 mm² feindrähtig möglich
- Gewicht: 1,74 kg
Downloads
Downloads
Videos
Videos
-
Schutz der DC-Seite vor ÜberspannungenDas YouTube Video wurde aufgrund deiner Cookie-Einstellungen blockiert.








