DEHNcube 2 YPV 1+2 1200 3M 1S MC4
| Hersteller-Typ: | DCU 2 YPV 1+2 1200 3M 1S MC4 FM |
|---|---|
| Hersteller-Art. Nr.: | 900988 |
| Art. Nr.: | 14009 |
| Stück pro VPE: |
|
| Zubehör-Typ: | Überspannungsschutz |
| WEEE-Nummer: |
|
Preise sind nur für Geschäftskunden nach erfolgreicher Registrierung sichtbar.
Ab Lager verfügbar
Produktnummer:
14009
Beschreibung
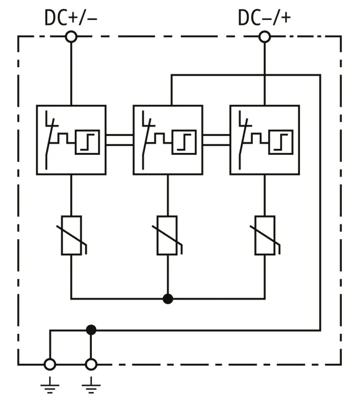
DEHNcube 2 YPV 1+2 1200 3M 1S MC4, GAK Typ 1+2, IP65, mit 3MPPT mit je 1 String, 1200V DC
Mit dem DEHNcube PV DCU 2 YPV 1+2 1200 3M 1S MC4 FM schützt Du Deine PV-Anlage zuverlässig vor Überspannungsschäden. Der Generatoranschlusskasten eignet sich für Systeme bis 1200 V DC und schützt drei MPP-Eingänge sowie einen String. Dank integriertem Kombiableiter Typ 1+2 und vormontierten MC4-Steckverbindern installierst Du das System einfach und sicher. Ideal für den Einsatz im Innenraum und für anspruchsvolle PV-Anlagen bis 3 MPP-Tracker.
Produktvorteile
- Bietet Schutz für bis zu drei MPP-Eingänge und einen String
- Kombinierter Überspannungsschutz Typ 1 + Typ 2 für umfassende Sicherheit
- Kompatibel mit PV-Anlagen bis 1200 V DC
- Einfache Montage durch vormontierte Original MC4-Stecker und -Buchsen
- Robustes Gehäuse mit IP65-Schutz für den Einsatz im Innenraum
- Klarsichtdeckel mit Produktkennzeichnung für schnelle Kontrolle
Produkteigenschaften
- 3 MPP-Tracker / 1 String
- Max. PV-Spannung: 1200 V DC
- Gesamtableitstoßstrom (8/20 µs): 40 kA
- Blitzstoßstrom (10/350 µs): 12,5 kA
- Nennlaststrom: 40 A
- Ansprechzeit: ≤ 25 ns
- Betriebstemperatur: –35 °C bis +60 °C
- Schutzart: IP65
- Anschluss über Original MC4, Anschlussquerschnitt bis 10 mm²
- Mit Druckausgleichselement und Klarsichtdeckel
Downloads
Videos
Videos
-
Schutz der DC-Seite vor ÜberspannungenDas YouTube Video wurde aufgrund deiner Cookie-Einstellungen blockiert.








